ー やきゅう 5 ー とうきゅう かくど 書換中
みぎ とうしゅ vs みぎ だしゃ
ページ
1 2
書換中
やきゅう における とうきゅう の カクド を
空 間 カクド 単 位 : チョモグラード ( cho° ) 【 画像挿入予定 】
にて どくじ に さんしゅつ してみます。

|
書換中
prototype-sample
まず けんせいきゅう について
かなり たんじゅん 化 させた
シンプル な ほうこう に おきかえて
かんがえてみた ばあい の 値 ( cho° ) を みてみます。
1 塁
( を ひだりまよこ と とらえてみたとすると ) → 57.05 cho°
2 塁
( を まうしろ と とらえてみたとすると ) → 100 cho°
3 塁
( を みぎまよこ と とらえてみたとすると ) → 52.05 cho°
( 本 塁
( を ましょうめん と とらえてみたとすると ) → 0 cho° )
しかし、
これは あくまで ( ぐたいてき な リリース ポイント を イメージしていない )
おおざっぱな ひょうげん になるので
この あとで こまかい あたい を しらべていきます。
はなたれる いち ( リリースポイント )
かり せってい
みぎとうしゅ
けいさんじょう の ましょうめん せってい (
0 cho° )
バックネット に たいして すいちょく に まっすぐ すいへい に これを
このまま このとおり なげると ( しんぱん の はんだん によっては ) かなり
きけんきゅう
きけんきゅう ( はんそく Bean ball ) かみひとえ に なってしまいます。
そう ならないように するために
くうかんざひょうてき な ましょうめん よりも
ひだりした に
なげる ひつよう が あります。
みぎ とうしゅ
ざひょうてきに いうと ひだりした に なげることになるので
エリア5 と エリア6
リリース サイド
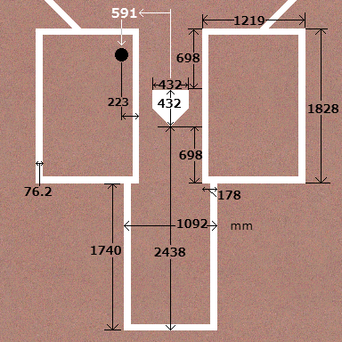
よこはば の せってい 591 mm

キョリ
投 手 板 から 本 塁 まで
仮 18.44 m ( 〜 18.872 m )

ピッチャー の しんちょう 仮 cm
リリースポイント
■3x3マス図
└それに 円 がた cho°図 も いれる(かさねあわせる)
■けんせいきゅう 123るい げんみつ
■deadball
ページ ない の こうもく
しょうめん こうほう ライナー ハーフラーナー
フライ るい やしゅ せってい エリア
さゆう↑↓複写 書換中
ひだりとうしゅ
けいさんじょう の ましょうめん せってい (
0 cho° )
バックネット に たいして すいちょく に まっすぐ すいへい に これを
このまま このとおり なげると ( しんぱん の はんだん によっては ) かなり
きけんきゅう
きけんきゅう ( はんそく Bean ball ) かみひとえ に なってしまいます。
そう ならないように するために
くうかんざひょうてき な ましょうめん よりも
みぎした に
なげる ひつよう が あります。
ひだり とうしゅ
ざひょうてきに いうと みぎした に なげることになるので
エリア3 と エリア4 ←こうなるように
↓みぎのまま 要 ミラー作成ーーーつづきーーー
書換中
ストライクゾーン の エリア の ∠ 3D カクド の ひろさ を みてみます。
さんかく コーン ( えんすい 型 ) の ひらきぐあい
コーン △ の さきが とんがって っているほど せまい エリア に なります。
確認中 速報値 編集中 AI 参考 ↓
0.0007686 sr
( れいてん れいれいれいななろく すてらじあん 確認中 )
もしくは
= 768.6 μsr
( ななひゃくろくじゅうはち まいくろ すてらじあん 確認中 )
どまんなか から ブレ ても いいかくど ( 半頂角 ) =
∠ 0.9 ど 確認中
↓ 2 ばい
インアウト ( はし 〜 はし ) の ひらき ( 全頂角 ) =
∠ 1.8 ど 確認中
という かなり かぎられた かくど の はんい の ひろさ
■ ストライクゾーン の ひろさ ( ステラジアン )
→ べんめい( 変化球・重力・回転など なし)
ストライクゾーン の 3Dかいてん gif
└7めんのうち せんたんのしょうめんのめんのみこうりょ
はんけい 16.61m にて ストライクゾーン
■ ボール ゾーン の ひろさ ( ステラジアン )
■ もどる
書換中
べんめい
だきゅう は 速 度 や 重 力 や 回 転 や 風 など いっさい こうりょ せずに
たんじゅん に まっすぐ ちょくせんてき に すすむ ものとして けいさんします。

m(_ _)m
■ もどる